Seznam omezení teploty aplikace
Materiál Střední teplota℃ Materiál Střední teplota℃
PVC-C -20 ℃ ~ 95 ℃ PVC-U -5℃~ 45℃
FRPP -20 ℃ ~ 120 ℃ PPH -20 ℃ ~ 110 ℃
PVDF 40 ℃ ~ 150 ℃

Strukturální vlastnosti produktu

1. Vynikající chemická odolnost: Široký rozsah provozních teplot -20 °C až 95 °C, obsah těžkých iontů v nosiči splňuje standardy pro ultračistou vodu a hygienické vlastnosti nastavené národní zdravotní standardy.
2. Vynikající pevnost, houževnatost a odolnost proti chemické korozi.
3. Trvanlivost: Vynikající odolnost proti stárnutí a UV záření výrazně prodlužuje životnost ostatních potrubních systémů.
4. Nízká tepelná vodivost: Přibližně 1/200 tepelné vodivosti oceli; samozhášivá samozhášecí retardace.
5. Lehká: Lehká, ekvivalentní 1/5 ocelové trubky a 1/6 měděné trubky.
6. Nízký odpor, vysoký průtok: Hladký, čistý povrch potrubí, minimalizuje tření a adhezi při dopravě tekutin.
7. Snadná instalace, nízké náklady: K dispozici jsou lepicí a závitové spoje, přičemž vhodné je lepidlo.

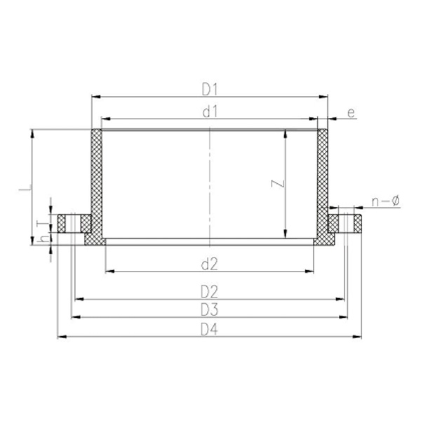
Seznam dimenzí

DN D1 D2 D3 D4 d1 d2 L T h Z n- Φ
15 27 59 70 95 20 18 22 16 1.5 16 4-Φ15X20,5
20 32 70 75 105 25 23 25 18 1.5 19 4-Φ15X17,5
25 40 79 90 125 32 29 28 18 1.5 22 4-Φ15X20,5
32 50 89 100 140 40 36 31.5 20 1.5 26 4-Φ18X24,5
4 61 98 110 150 50 4 37 20 2 31 4-Φ18X24
50 75 120 125 165 63 58 44 25 2 38 4-Φ18X20,5
65 88 140 145 185 75 69 50 25 2 44 4-Φ18X20,5
80 105 150 160 200 90 84 57 26 2.5 51 8-Φ18X23
100 127 175 190 522 9110 105 67 26 2.5 61 8- Φ 18X26
125 161 210 250 140 130 84 28 12.5 77 8-Φ19
150 182 240 285 160 150 93 31 12.5 85 8-Φ23
200 249 295 339 225 215 127 36 16 119 8-Φ23X25
200 254 295.8 341 225 215 127 33.1 16 119 12-Φ22
250 308 350 395 280 267 154 40.5 16.5 144 12-Φ23
300 346 400 445 315 305 170 43 18 160 12-Φ23
350 395 460 505 355 340 176 43 16 164.5 16-Φ23
400 442 515 570 400 382 219 43 22 200 16-Φ27
450 494 565 625 450 430 220 40 27 210 20-Φ26
500 548 620 670 500 475 210 43 25 185 20-Φ27
Zpětná vazba zprávy
O nás
Kaixin Pipeline Technologies Co., Ltd.
Založena v roce 1999, Kaixin Pipeline Technologies Co., Ltd. je high-tech podnik integrující výzkum a vývoj, výrobu, prodej a servis. Společnost je držitelem několika prestižních certifikací, včetně National High-Tech Enterprise, „Little Giant“ Specialized and Sophisticated SME, National Single Product Champion (kultivace), provinčního technologického malého a středního podniku, Ningbo Specialized and Sophisticated SME, Ningbo Single Product Champion (kultivace), Ningbo Polymer Pipe & Valve Technology R&D Center, District-Level Enterprise Management Factory, Ningbo Inbo Green Enterprise Management Factornov Úroveň vyspělosti schopností 2.
Specializujeme se na vývoj, výrobu a dodávky nekovových korozivzdorných produktů pro chemické aplikace, včetně plastových ventilů, potrubí, potrubních armatur a korozivzdorných čerpadel. Naše produktové portfolio zahrnuje materiály jako PVC-C, PVC-U, PVDF, PPH a FRPP s komplexní řadou typů a specifikací. Je pozoruhodné, že naše klapky mohou dosáhnout průměru DN1000, zatímco trubky a tvarovky dosahují až DN800, což řeší mezery na trhu a udržuje naši konkurenční výhodu v oboru.
Řídí se zásadou „Technology-Driven, Keeping Tempe with the Times“ a Kaixin přiděluje ročně téměř 10 milionů RMB na výzkum a vývoj. Zajišťujeme vynikající kvalitu produktů prostřednictvím standardizované automatizované výroby a přísného získávání dovážených surovin. V souladu s naší mezinárodní strategií rozvoje neustále sledujeme trendy na globálním trhu a využíváme digitální kanály, abychom zákazníkům po celém světě přinesli vysoce kvalitní produkty „Made in China“.
Ningbo • Fenghua R&D & Production Base
S celkovou investicí 200 milionů RMB založila společnost Kaixin Ultra-Pure Pipe Technology (Ningbo) Co., Ltd. ve spolupráci s univerzitami a výzkumnými ústavy novou materiálovou laboratoř, vybudovala moderní výrobní základnu a nainstalovala 8 plně automatizovaných výrobních linek pro modifikované plasty a 8 pro polymerní materiály. Zařízení se věnuje výzkumu a vývoji, výrobě a aplikaci nových modifikovaných plastů a polymerních materiálů. Kaixin se také zavázal přitahovat špičkové talenty napříč obory, neustále podporovat inovace produktů a vývoj značky s cílem stát se celosvětově uznávaným lídrem v oblasti výzkumu a vývoje a výroby polymerních ventilů, potrubí a armatur.
čestný certifikát
  • honor
  • honor
  • honor
  • honor
  • honor
  • honor
  • honor
  • honor
  • honor
Novinky